


หนังสือวงจรไฟฟ้ารถยนต์ WIRING DIAGRAM DAIHATSU ATRAI7 (2000-7~) รหัส EWD-14
ข้อมูลทั้งหมด
ภาษา : ภาษาญี่ปุ่น *มีตัวแปลสีสายไฟเป็นภาษาอังกฤษให้*
รูปแบบ : หนังสือจำนวน 77 หน้า *A3 ชัดทุกหน้า ครบทั้งคัน*
รหัสเครื่องยนต์ : K3-VE (1.3L 4สูบ เบนซิน)
รหัสตัวถัง : S221G , S231G
รหัสกล่องที่ใช้ได้ : 89560-97D61 , 89530-97512
สเป็กรถยนต์ : ญี่ปุ่น
เนื้อหาด้านใน : ระบบไฟฟ้ารถยนต์ทั้งคัน , ฟิวช์ , ตำแหน่งอุปกรณ์
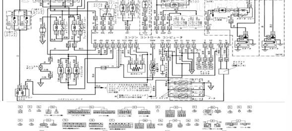
ปลั๊กกล่องเครื่องยนต์ K3-VE



| หน้าที่เข้าชม | 2,258,234 ครั้ง |
| ผู้ชมทั้งหมด | 1,402,502 ครั้ง |
| เปิดร้าน | 17 ธ.ค. 2558 |
| ร้านค้าอัพเดท | 27 พ.ย. 2568 |

