





คู่มือการซ่อมทั้งคัน Toyota INNOVA,KIJANG INNOVA > GUN14#,TGN14# > 2015.11
ปี 2015
โปรแกรมการซ่อมทั้งคัน
BODY : GUN14#,TGN14#
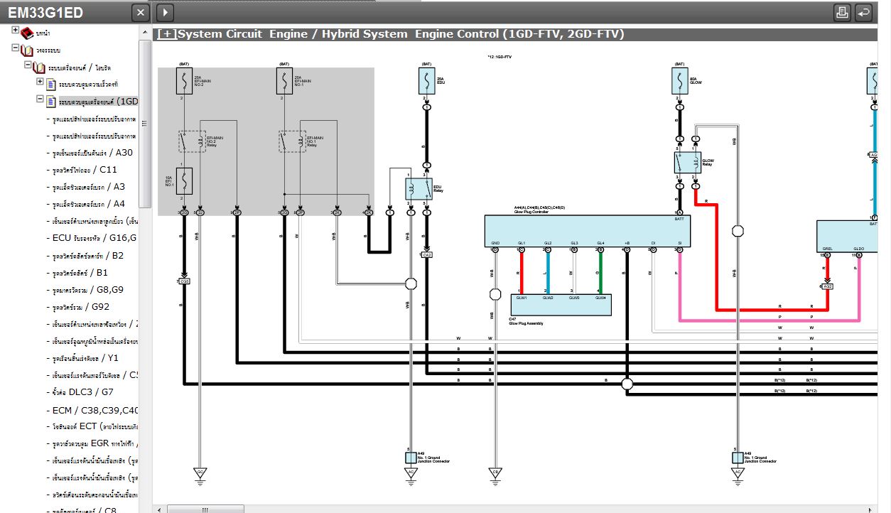
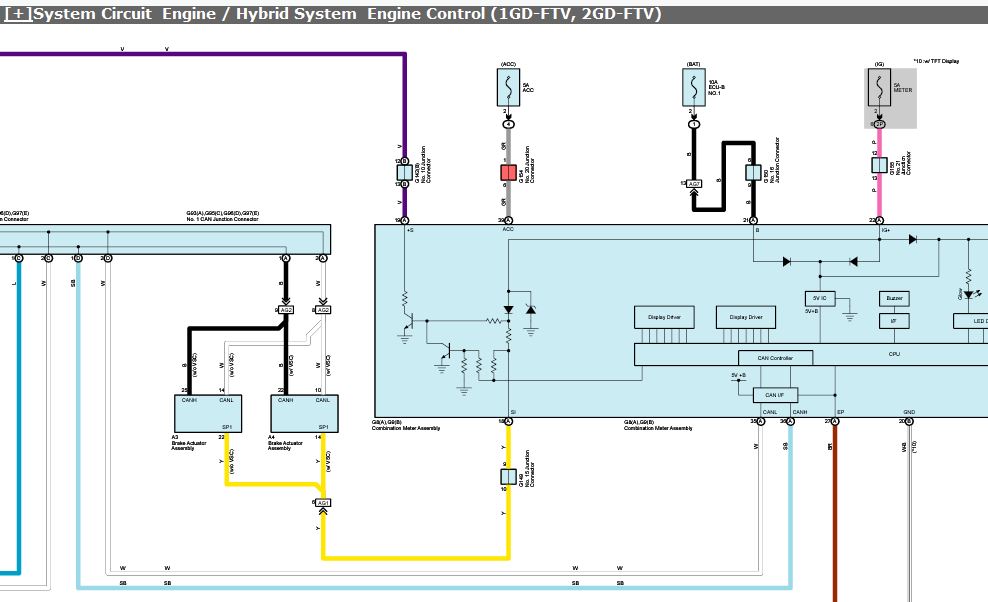
เครื่องยนต์ : Engine / 1TR-FE / 2GD-FTV
เนื้อหา มีครบทุกระบบ เป็นคู่มือการซ่อมทั้งคัน







| หน้าที่เข้าชม | 2,244,141 ครั้ง |
| ผู้ชมทั้งหมด | 1,388,409 ครั้ง |
| เปิดร้าน | 17 ธ.ค. 2558 |
| ร้านค้าอัพเดท | 22 ต.ค. 2568 |

