


CD คู่มือซ่อมรถจักรกลหนัก HITACHI ZAXIS รุ่น ZX210W-3 , ZX220W-3 รหัส HITE02
ข้อมูลทั้งหมด
ภาษา : อังกฤษ
รูปแบบ : CD เป็นไฟร์
ประเภทเครื่องจักร : รถขุดขนาดกลาง (MEDIUM EXCAVATORS)
รหัสเครื่องยนยต์ : 4HK1 (5.2L ดีเซลคอมมอนเรล เทอร์โบ 166 แรงม้า)
รหัสตัวถัง : ZX210W-3 , ZX220W-3
เลขซีเรียลตัวถัง :
เนื้อหาด้านใน : 1.สเป็กและค่าเทคนิคต่างๆ
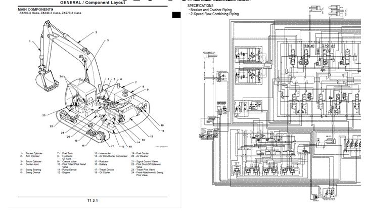
2.ระบบเฟรมส่วนประกอบต่างๆ
3.ช่วงล่างและเฟรม
4.ระบบไฮดรอลิก
5.รหัสวิเคาระห์ปัญหาและแนวทางแก้ไข
6.วงจรไฟฟ้าและวงจรระบบไฮดรอลิก
7.คู่มือการใช้งานเครื่อง
หมายเหตุ : คุ่มือนี้ไม่ระบบของเครื่องยนต์




| หน้าที่เข้าชม | 2,258,234 ครั้ง |
| ผู้ชมทั้งหมด | 1,402,502 ครั้ง |
| เปิดร้าน | 17 ธ.ค. 2558 |
| ร้านค้าอัพเดท | 27 พ.ย. 2568 |

