


KOMATSU PC100-5 , PC120-5 , PC120-5 MIGHTY
คู่มือซ่อมรถจักรกลหนัก KOMATSU รุ่น PC100-5 PC120-5 PC120 MIGHTY แม็คโค วงจรไฟฟ้า ไฮดรอลิก รถตักโคมัสสุ KOMATSU SERVICE MANUAL
รหัส KOM-27
CD คู่มือซ่อมรถจักรกลหนัก แม็คโค KOMATSU รุ่น PC100-5 , PC120-5 , PC120 MIGHTY รหัส KOM27
ข้อมูลทั้งหมด
ภาษา : ภาษาอังกฤษ
รูปแบบ : CD เป็นไฟร์ PDF
ประเภทเครื่องจักร : รถขุดขนาดกลาง (EXCAVATORS)
รหัสตัวถัง/เลขซีเรียล : PC100-5 - 28001 ขึ้นไป
PC120-5 - 30001 ขึ้นไป
PC120-5 MIGHTY - 36601 ขึ้นไป
เนื้อหาด้านใน : 1.สเป็กและค่าเทคนิคต่างๆ
2.ระบบเครื่องยนต์และระบบระบายความร้อน
3.ช่วงล่างและเฟรม
4.ระบบไฮดรอลิก
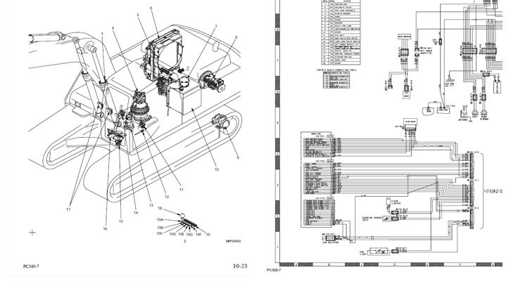
5.วงจรไฟฟ้าและวงจรระบบไฮดรอลิก
หมายเหตุ : คู่มือนี้ไม่มีระบบเครื่องยนต์ค่ะ
หากลูกค้าอยากได้เป็นหนังสือเราสามารถปริ้นเป็นเล่มให้ได้แต่ต้องมีค่าใช้จ่ายเพิ่ม
ก่อนซื้อเครื่องมือซ่อมดู เลขตัวถังของรถว่าอยู่ในช่วงคู่มือซ่อม ด้วยนะคะ




| หน้าที่เข้าชม | 2,258,234 ครั้ง |
| ผู้ชมทั้งหมด | 1,402,502 ครั้ง |
| เปิดร้าน | 17 ธ.ค. 2558 |
| ร้านค้าอัพเดท | 27 พ.ย. 2568 |

