


KOMATSU PC100-6 , PC120-6
คู่มือซ่อมรถจักรกลหนัก แม็คโค KOMATSU รุ่น PC100-6 PC120-6 โคมัตสุวงจรไฟฟ้า ไฮดรอลิก รถตักโคมัสสุ KOMATSU SERVICE MANUAL
รหัส KOM-33
CD คู่มือซ่อมรถจักรกลหนัก แม็คโค KOMATSU รุ่น PC100-6 และ PC120-6 รหัส KOM33
ข้อมูลทั้งหมด
ภาษา : อังกฤษ
รูปแบบ : CD เป็นไฟร์ PDF
ประเภทเครื่องจักร : รถขุดขนาดกลาง (MEDIUM EXCAVATORS)
รหัสตัวถัง/เลขซีเรียล : PC100-6 - 40001 ขึ้นไป
PC120-6 - 45001 ขึ้นไป
เนื้อหาด้านใน : 1.สเป็กและค่าเทคนิคต่างๆ
2.การถอดประกอบต่างๆ
3.ช่วงล่างและเฟรม
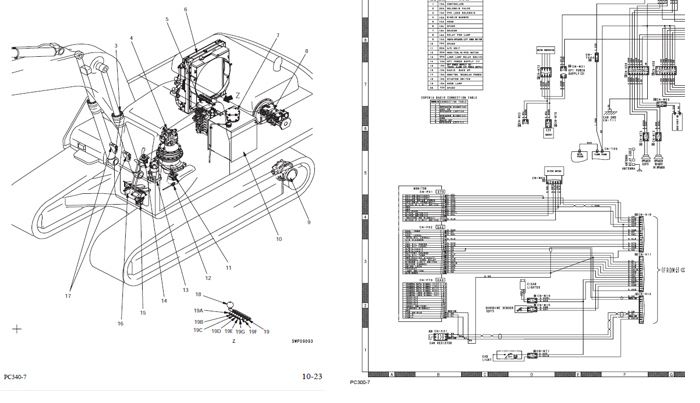
4.ระบบไฮดรอลิก
5.รหัสวิเคาระห์ปัญหาและแนวทางแก้ไข E-CODE , H-CODE , M-CODE
6.วงจรไฟฟ้าและวงจรระบบไฮดรอลิก
หมายเหตุ : คู่มือนี้ไม่มีระบบเครื่องยนต์ค่ะ
หากลูกค้าอยากได้เป็นหนังสือเราสามารถปริ้นเป็นเล่มให้ได้แต่ต้องมีค่าใช้จ่ายเพิ่ม
ก่อนซื้อเครื่องมือซ่อมดู เลขตัวถังของรถว่าอยู่ในช่วงคู่มือซ่อม ด้วยนะคะ




| หน้าที่เข้าชม | 2,258,234 ครั้ง |
| ผู้ชมทั้งหมด | 1,402,502 ครั้ง |
| เปิดร้าน | 17 ธ.ค. 2558 |
| ร้านค้าอัพเดท | 27 พ.ย. 2568 |

