





KOMATSU PC210-8 / PC210LC-8
คู่มือซ่อม KOMATSU รุ่น PC210-8 PC210LC-8 PC210NLC-8 PC230NHD-8 PC240LC-8 PC240MLC-8
รหัส KOM-12
KOMATSU รุ่น PC210-8 , PC210LC-8 , PC210NLC-8 , PC230NHD-8 PC240LC-8 , PC240MLC-8 รหัส KOM12
ข้อมูลทั้งหมด
ภาษา : อังกฤษ
รูปแบบ : CD เป็นไฟร์ PDF 1662 หน้า
ประเภทเครื่องจักร : รถขุดขนาดกลาง (MEDIUM EXCAVATORS)
รหัสตัวถัง : PC210-8 , PC210LC-8 , PC210NLC-8 , PC230NHD-8
PC240LC-8 , PC240MLC-8
เลขซีเรียลตัวถัง : 50001 ขึ้นไป
เนื้อหาด้านใน : 1.สเป็กและค่าเทคนิคต่างๆ
2.ระบบเครื่องยนต์และระบบระบายความร้อน
3.ช่วงล่างและเฟรม
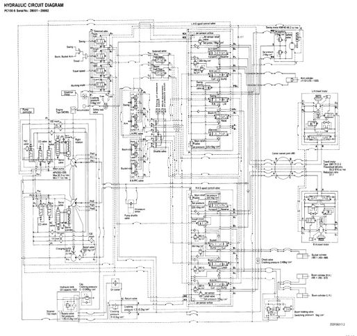
4.ระบบไฮดรอลิก
5.รหัสวิเคาระห์ปัญหาและแนวทางแก้ไข
6.วงจรไฟฟ้าและวงจรระบบไฮดรอลิก







| หน้าที่เข้าชม | 2,258,234 ครั้ง |
| ผู้ชมทั้งหมด | 1,402,502 ครั้ง |
| เปิดร้าน | 17 ธ.ค. 2558 |
| ร้านค้าอัพเดท | 27 พ.ย. 2568 |

