


HONDA INSPIRE (2003-6~)
วงจรไฟฟ้าเครื่องยนต์ J30A HONDA INSPIRE บอดี้ UC1 วงจรไฟฟ้ารถยนต์ฮอนด้า
รหัส EWH-15
รายละเอียด
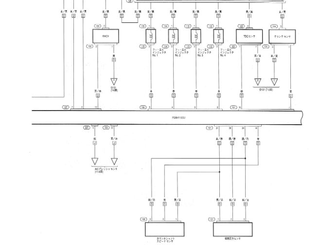
หนังสือวงจรไฟฟ้าเครื่องญี่ปุ่น J30A HONDA INSPIRE บอดี้ UC1 ปี 2003-6~ รหัส EWH15
ข้อมูลทั้งหมด
ภาษา : ภาษาญี่ปุ่น*มีคำแปลสีสายไฟภาษาอังกฤษ*
รูปแบบ : หนังสือ A4 จำนวน 254 หน้า *ชัดทุกหน้า ครบทุกหน้า*
รหัสเครื่องยนต์ : J30A (3.0L)
รหัสตัวถัง : UC1
รหัสกล่องที่ใช้ได้ :
สเป็กรถยนต์ : ญี่ปุ่น
เนื้อหาด้านใน : ระบบไฟฟ้ารถยนต์ , ฟิวช์ , ตำแหน่งอุปกรณ์




| หน้าที่เข้าชม | 2,244,686 ครั้ง |
| ผู้ชมทั้งหมด | 1,388,954 ครั้ง |
| เปิดร้าน | 17 ธ.ค. 2558 |
| ร้านค้าอัพเดท | 24 ต.ค. 2568 |

