




HONDA S-MX (1997-2~)
วงจรไฟฟ้าเครื่องยนต์B20B HONDA S-MX บอดี้ RH1 RH2 WIRING DIAGRAM วงจรฮอนด้า ซิตี้ S4XA S4TA ไวริ่งไดแกรม ผังวงจรไฟฟ้ารถยนต์ วงจรเครื่องญี่ปุ่น
รหัส EWH-48
รายละเอียด
หนังสือวงจรไฟฟ้าเครื่องยนต์ HONDA S-MX บอดี้ RH1 RH2 ปี 1997-2~ รหัส EWH48
ข้อมูลทั้งหมด
ภาษา : ภาษาญี่ปุ่น *มีคำแปลสีสายไฟภาษาอังกฤษ*
รูปแบบ : หนังสือA4จำนวน 159 หน้า *ชัดทุกหน้า ครบทุกหน้า*
รหัสเครื่องยนต์ : B20B (2.0L 4สูบ เบนซิน DOHC)
รหัสเกียร์ : S4XA (AT) , S4TA (AT)
รหัสตัวถัง : RH1 , RH2
สเป็กรถยนต์ : ญี่ปุ่น
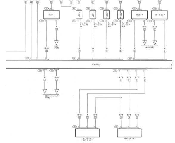
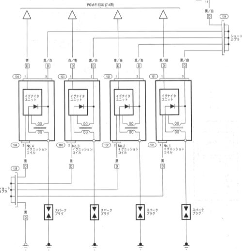
เนื้อหาด้านใน : ระบบไฟฟ้ารถยนต์ทั้งคัน , ฟิวช์ , ตำแหน่งอุปกรณ์






| หน้าที่เข้าชม | 2,244,141 ครั้ง |
| ผู้ชมทั้งหมด | 1,388,409 ครั้ง |
| เปิดร้าน | 17 ธ.ค. 2558 |
| ร้านค้าอัพเดท | 22 ต.ค. 2568 |

