


| รหัสสินค้า | EWI-04 |
| หมวดหมู่ | ISUZU TRUCK |
| ราคา | 2,000.00 บาท |
| สถานะสินค้า | พร้อมส่ง |
| ลงสินค้า | 7 ต.ค. 2565 |
| อัพเดทล่าสุด | 9 ก.ย. 2568 |
| จำนวน | book |
ISUZU ELF CNG/LPG (2000-5~)
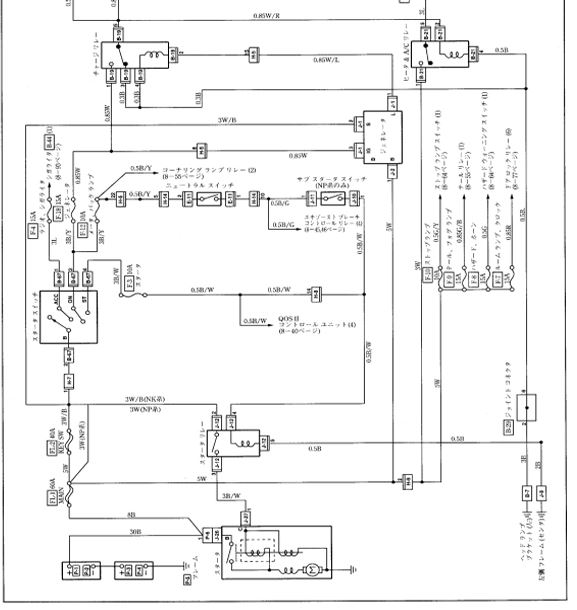
วงจรไฟฟ้าเครื่องยนต์ 4HF1-CNG 4HG1-LPG รถบรรทุกอีซูซุเอลฟ์ ISUZU ELF CNG / LPG WIRING DIAGRAM วงจรเชียงกงญี่ปุ่น ไวริ่งไดแกรมรถบรรทุก บอดี้ NHR NKR NPR NHS NKS
รหัส EWI-04
รายละเอียด
หนังสือวงจรไฟฟ้าเครื่องยนต์รถบรรทุกญี่ปุ่น ISUZU ELF CNG / LPG (2000-5~) รหัส EWI04
ข้อมูลทั้งหมด
ภาษา : ภาษาญี่ปุ่น *มีตัวแปลสีสายไฟญี่ปุ่นเป็นไทยให้*
รูปแบบ : หนังสือจำนวน 160 หน้า *A4 ชัดทุกหน้า ครบทุกหน้า*
รหัสเครื่องยนต์ : 4HF1-CNG (4,334cc 4 สูบ 120 แรง ระบบก๊าชCNG)
4HG1-LPG (4,570cc 4 สูบ 150 แรง ระบบก๊าชLPG)
รหัสตัวถัง : NHR , NKR , NPR , NHS , NKS
สเป็กรถยนต์ : ญี่ปุ่น
เนื้อหาด้านใน : ระบบไฟฟ้ารถบรรทุกทั้งคัน , ฟิวช์ , ตำแหน่งอุปกรณ์



| หน้าที่เข้าชม | 2,258,234 ครั้ง |
| ผู้ชมทั้งหมด | 1,402,502 ครั้ง |
| เปิดร้าน | 17 ธ.ค. 2558 |
| ร้านค้าอัพเดท | 27 พ.ย. 2568 |

