


| รหัสสินค้า | EWI-19 |
| หมวดหมู่ | ISUZU TRUCK |
| ราคา | 2,500.00 บาท |
| สถานะสินค้า | พร้อมส่ง |
| ลงสินค้า | 7 ต.ค. 2565 |
| อัพเดทล่าสุด | 7 ต.ค. 2565 |
| จำนวน | book |
ISUZU FORWARD (2005-10~)
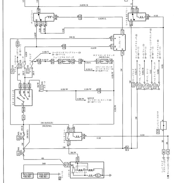
วงจรไฟฟ้า 4HK1 6HK1 6HL1 คอมมอนเรล รถบรรทุกอีซูซุ ISUZU FORWARD WIRING DIAGRAM FTS FVZ FRR FRS FSS SMOOTHER-F 6HK1-3 วงจรเชียงกงญี่ปุ่น ไวริ่งไดแกรมรถบรรทุก
รหัส EWI-19
รายละเอียด
หนังสือวงจรไฟฟ้าเครื่องยนต์ 4HK1 6HK1 6HL1 รถบรรทุกญี่ปุ่น ISUZU FORWARD (2005-10~) รหัส EWI19
ข้อมูลทั้งหมด
ภาษา : ภาษาญี่ปุ่น *มีตัวแปลสีสายไฟญี่ปุ่นเป็นไทยให้*
รูปแบบ : หนังสือจำนวน 285 หน้า *A4 ชัดทุกหน้า ครบทุกหน้า*
รหัสเครื่องยนต์ : 4HK1-TC (5,193cc 4 สูบ ดีเซลคอมมอนเรล เทอร์โบVGS มีโซลินนอย 3 ตัว)
6HK1-3 (7,790cc 6 สูบ ดีเซลคอมมอนเรล)
6HL1-TC (7,166cc 6 สูบ ดีเซลคอมมอนเรล)
ระบบเกียร์ : ธรรมดาและออโต้ [SMOOTHER-F]
รหัสกล่อง : 897600-3590 [6HK1-3]
รหัสตัวถัง : FTS , FVZ , FRR , FRS , FSS
สเป็กรถยนต์ : ญี่ปุ่น
เนื้อหาด้านใน : ระบบไฟฟ้ารถบรรทุกทั้งคัน , ฟิวช์ , ตำแหน่งอุปกรณ์



| หน้าที่เข้าชม | 2,252,167 ครั้ง |
| ผู้ชมทั้งหมด | 1,396,435 ครั้ง |
| เปิดร้าน | 17 ธ.ค. 2558 |
| ร้านค้าอัพเดท | 19 พ.ย. 2568 |

